用途
+根據不同的材質、流量、壓力可用于大部分清洗行業。
特點
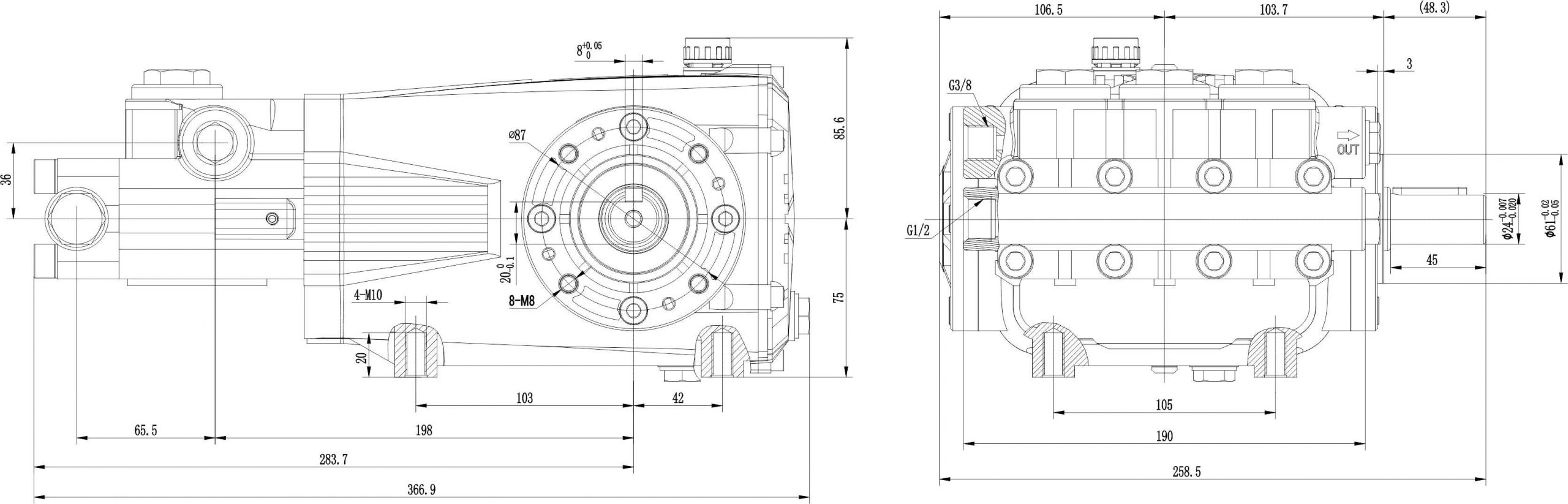
1、 可與不同類型的電機通過連軸器連接。獨特設計壓鑄鋁合金箱體,后蓋帶油鏡卸油口。
2、柱塞的運動是通過連桿與曲柄系統實現。超高強度合金鋼曲軸,雙圓錐滾針軸承,承載力大。
3、鍛造黃銅泵頭與鑄鐵泵頭可選。陶瓷管、精密柱塞,特殊密封系統,保證超高壓力安全。
4、進出水單向止回閥保證了液力端運轉高效、穩定。可拆卸單向閥螺栓,便于維護。可以將不同附件連接到泵頭。
|
|
|
DSP-N銅泵頭▲ |
![]() |
BOTUO.DSP 1450 rpm N version ?28mm / ?24mm▼
| 型號 | 流量 |
壓力 |
功率 | 轉速 | 柱塞直徑 |
曲軸行程 | 重量 | 泵尺寸 | 油號 |
加油量 | |||
| L/min | gpm | bar | psi | hp | kw | rpm | mm | mm | ≈kg | mm | / | L | |
| DSP1250 | 12 | 3.17 | 500 | 7250 | 16 | 12 | 1450 | 18 | 11 | 19.5 | 370*260*160 | 220 | 1.1 |
| DSP2250 | 22 | 5.81 | 500 | 7250 | 30.0 | 22 | 1450 | 18 | 21 | 19.5 | 370*260*160 | 220 | 1.1 |
| DSP3050 | 28 | 7.39 | 500 | 7250 | 30.0 | 28 | 1450 | 20 | 21 | 19.5 | 370*260*160 | 220 | 1.1 |
| DSP2260 | 22 | 5.81 | 600 | 8700 | 34.0 | 26 | 1450 | 18 | 21 | 19.5 | 370*260*160 | 220 | 1.1 |
DSPG-N鑄鐵鍍鎳泵頭▲ |
![]() |
BOTUO.DSPG 1450 rpm N version ?24mm ▼
| 型號 | 流量 |
壓力 |
功率 | 轉速 | 柱塞直徑 |
曲軸行程 | 重量 | 泵尺寸 | 油號 |
加油量 | |||
| L/min | gpm | bar | psi | hp | kw | rpm | mm | mm | ≈kg | mm | / | L | |
| DSPG2250 | 22 | 5.81 | 500 | 7250 | 30.0 | 22 | 1450 | 18 | 21 | 19.5 | 370*260*160 | 220 | 1.1 |
+根據不同的材質、流量、壓力可用于大部分清洗行業。
特點
1、 可與不同類型的電機通過連軸器連接。獨特設計壓鑄鋁合金箱體,后蓋帶油鏡卸油口。
2、柱塞的運動是通過連桿與曲柄系統實現。超高強度合金鋼曲軸,雙圓錐滾針軸承,承載力大。
3、鍛造黃銅泵頭與鑄鐵泵頭可選。陶瓷管、精密柱塞,特殊密封系統,保證超高壓力安全。
4、進出水單向止回閥保證了液力端運轉高效、穩定。可拆卸單向閥螺栓,便于維護。可以將不同附件連接到泵頭。
|
|
|